Web Analytics Made Easy - Statcounter
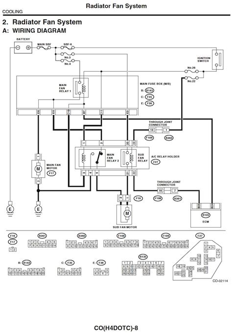
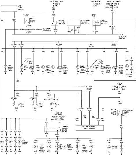
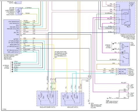
Ford F150 4.6L Engine Diagram: Master Your Truck’s Power!

Ford F150 4.6L Engine Diagram: Master Your Truck’s Power!

Ford F150 4.6L Engine Diagram: Master Your Truck’s Power! Ford everest trend 2.0l 4wd 2023 review